栏目导航
navigation
日本SINFONIA制动器ERS-175L-EME-007
发布时间:2024-04-30
日本SINFONIA制动器ERS-175L-EME-007

無励磁作動形電磁ブレーキは、制動力にスプリングの弾性を利用するのが一般的ですが、この電磁ブレーキはスプリングの代わりに強力な永 久磁石を用い、スプリング方式にない特長を実現した独特な無励磁作動形ブレーキです。これにより、きわめて応答が速く、ブレーキ解放状態からの強制制動ができるなどの優れた特長が得られ、安全ブレーキや非常用ブレーキとして優れた威力を発揮します。また、オートギャップ装置を搭載しており、取付け後の調整はまったく不要です。

| 型式 | ERS-175L/FMF |
|---|---|
| 静摩擦トルク Nm | 2 |
| 定格電圧 DC-V | 24 |
| 消費電力 W(at75°C) | 6 |
| 質量 kg | 0.18 |
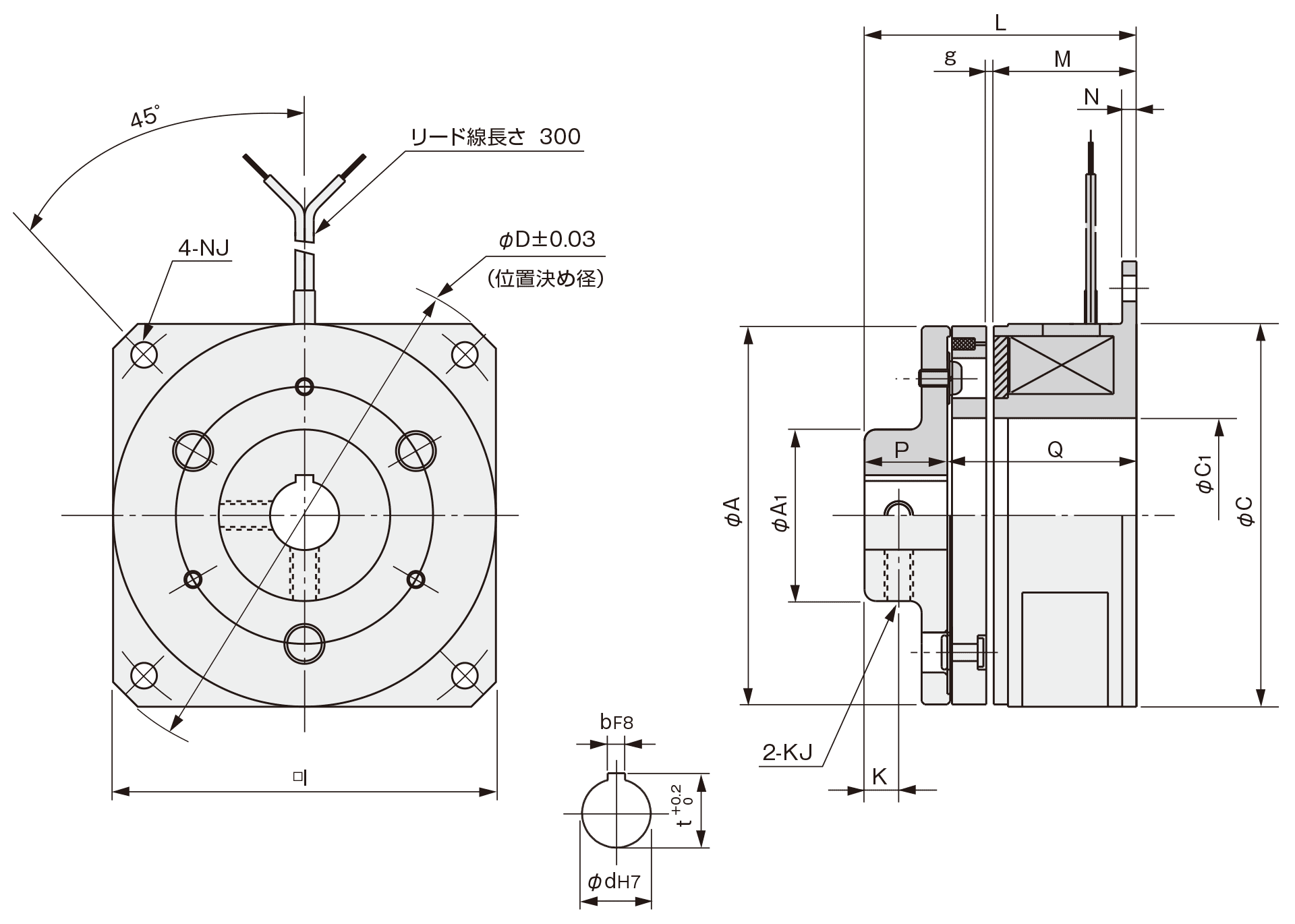
リード線は赤色を(+)に、青色を(-)に接続してください。

単位:mm
上一篇:日本Konsei近藤夹爪HA-1M 下一篇:日本信越高真空硅脂HIVAC-G
返回列表



所有产品分类
友情链接Link

