navigation
日本Kashiyama樫山工业真空泵LEM40MA
日本Kashiyama樫山工业真空泵LEM40MA
水封式真空ポンプLEH/LEM シリーズ

ポンプの構造・原理
当社製水封式真空ポンプは円形ケーシングと羽根車より本体を構成し羽根車はケーシングと偏心した位置に取り付けられています。ケーシング内に適当量の水を入れて羽根車を回転させると、水は遠心力によってケーシングと同心の円形状の水膜を作りながら運動します。
これにより水膜と隣接する羽根と羽根とによって密閉された空間が生じ、羽根車が回転するにしたがって空間は容積変化して、吸入、圧縮、排気を連続的に行い非常に高能率なポンプとなっています。
*近公害問題の面から吸引気体中に含まれる種々の有害ガスが水に溶解または混合して排出されるのを防ぐため封水を直接流出させないで循環させて使用する方式もあります。
LEH/LEMシリーズの特徴
水蒸気や水滴を含んだ気体の排気に*適である。
引火性ガスや腐食性ガスの排気ができる。
摩擦部分が少なく故障がないので連続運転に耐えられる。
低騒音でかつ振動が少ない。
連続排気で脈動がない。
軸封にメカニカルシールを使用し、メンテナンスが容易。
全機種エルモ形で従来のナッシュ形よりも効率到達圧力がよい。
定流量弁を内蔵して適量給水方式を採用している。
LEH型は2段ポンプで高真空用に、LEM型はモーター直結型ポンプでコンパクト、軽量です。
このような用途にお使いください
減菌乾燥、吸引装置用の真空源
大型渦巻ポンプの呼水用
真空冷却用の真空源
各種化学工業における脱水、乾燥用
真空凍結、真空含浸用の真空源
各種粉粒体の空気輸送の真空源
真空蒸発、真空濃縮器の真空源
真空脱臭用の真空源
真空鋳造用の真空源
各種真空染色用の真空源
真空脱水フィルタの脱水用
製紙工場抄紙工程における脱水用
排気速度曲線

仕様
| 型式 \ 仕様 | 電動機 (kW) | 到達圧力 (Pa) | 排気速度 (m3/hr) | 回転数 (r.p.m) | 口径 (mm) | 給水量 (l/min) | 重量 (kg) (M含み) | 寸法 (W×D×H) | ||
| 50Hz | 60Hz | 50Hz | 60Hz | |||||||
| LEM3 | 0.2(2P) | 7.3×103 | 3.4 | 4.2 | 2900 | 3500 | PT3/8 | 3 | 14 | 275×190×205 |
| LEM6 | 0.4(2P) | 7.3×103 | 6.6 | 7.8 | 2900 | 3500 | PT3/8 | 3 | 17 | 330×200×186 |
| LEM20MA | 0.75(2P) | 7.3×103 | 17 | 20 | 2900 | 3500 | PT3/4 | 3 | 19 | 361×250×200 |
| LEM40MA | 1.5(2P) | 7.3×103 | 34 | 40 | 2900 | 3500 | 25 | 5 | 30 | 424×250×233 |
| LEM40SS | 1.5(2P) | 7.3×103 | 34 | 40 | 2900 | 3500 | 25 | 5 | 30 | 424×250×233 |
| LEM60SS | 2.2(2P) | 7.3×103 | 50 | 60 | 2900 | 3500 | 25 | 5 | 30 | 447×250×236 |
| LEH30MS | 2.2(2P) | 2.7×103 | 22 | 27 | 2900 | 3500 | 25 | 5 | 50 | 625×269×359 |
| LEH50MS | 2.2(2P) | 2.7×103 | 42 | 50 | 2900 | 3500 | 25 | 5 | 60 | 650×294×369 |
| LEH100MS | 3.7(4P) | 2.7×103 | 75 | 90 | 1450 | 1750 | 40 | 10 | 130 | 825×422×500 |
| LEH150MS | 5.5(4P) | 2.7×103 | 113 | 135 | 1450 | 1750 | 40 | 15 | 158 | 924×422×500 |
| LEH200MS | 7.5(4P) | 2.7×103 | 150 | 180 | 1450 | 1750 | 40 | 15 | 250 | 1100×438×500 |
| LEH300MS | 11(4P) | 2.7×103 | 250 | - | 1450 | - | 50 | 15 | 300 | 1243×535×632 |
| LEH300MS | 15(4P) | 2.7×103 | - | 300 | - | 1750 | 50 | 15 | 345 | 1288×535×632 |
※型式のMAはインペラー材質が銅合金、MSはインペラー材質がステンレス製、SSは全SUS製となります。
※排気速度、到達圧力共冷却水温度15℃での数値です
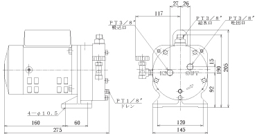
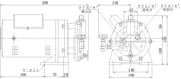
寸法図
LEM3

LEM6

LEM20MA / LEM40MA / LEM40SS

LEM60SS

LEH30MS,50MS

LEH100MS,150MS

LEH200MS

LEH300MS





所有产品分类
友情链接Link

