栏目导航
navigation
日本Sohgohkeiso拉压式称重传感器TR22HS/TR22L
发布时间:2024-08-24
日本Sohgohkeiso拉压式称重传感器TR22HS/TR22L
| 引張・圧縮型ロードセルTension/Compression Load Cell | |
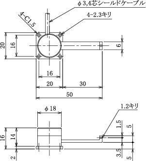
| ■外観 | ■仕様型式名TR22L定格容量0.5N,1N,2N,5N,10N出力電圧0.5mV/V程度非直線性0.3%R.O.以内ヒステリシス0.3%R.O.以内繰り返し性0.2%R.O.以内入力抵抗350Ω出力抵抗350Ω±1%絶縁抵抗1000MΩ以上許容過負荷120%許容印加電圧6V初期不平衡電圧±0.25mV/V以内許容温度範囲-20℃~+80℃使用温度範囲-10℃~+75℃零点の温度影響0.03%R.O./℃出力の温度影響0.03%R.O./℃ケーブルの種類φ3,4芯シールドケーブルケーブルの長さ5m/1本出力方式直結表面処理無し |
| ■特徴◆超低容量、超小型でスペースのない場所 などに取付け可能な構造となっています。 ◆荷重検出部は曲げ応力を利用している ため、バーの端に荷重がかかるように取付け を行ってください。■外形寸法 | |
![]() | |





所有产品分类

友情链接Link

